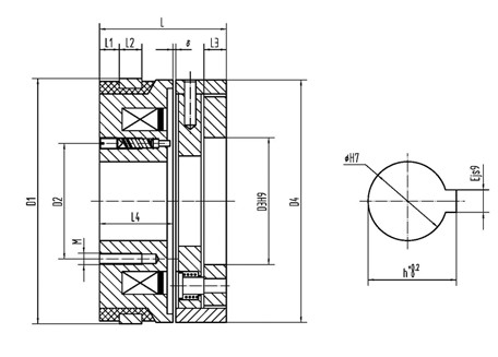
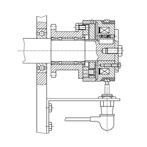
产品展示 > DLY2牙嵌电磁离合器 首页 > 产品展示