产品展示 >DLZ3系列组合离合器 首页 > 产品展示
 
 
  DLZ3说明:
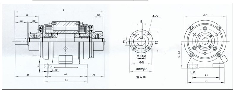
1.本型组合离合器采用两台同规格离合器装在通轴上;
2.可由两轴套输入不同的转速或转向使通轴实现变速或转向;
3.可由通轴输入,由两轴套分别控制两个机构或得到两种转速或转向;
4.许用最高转速请参考同规格的离合器的转速,并结合考虑轴承的寿命使用适合转速;
5.允许立式使用;
6.通轴和轴套上装链轮、带轮等零件时,禁止禁止重锤打入,建议选用H7/h6配合;
7.使用过程中注意防止油污、微粒进入摩擦面,注意观测间隙,如超过0.9应及时更换配件。