产品展示 >DLZ4系列组合离合器 首页 > 产品展示
 
 
  DLZ4说明:
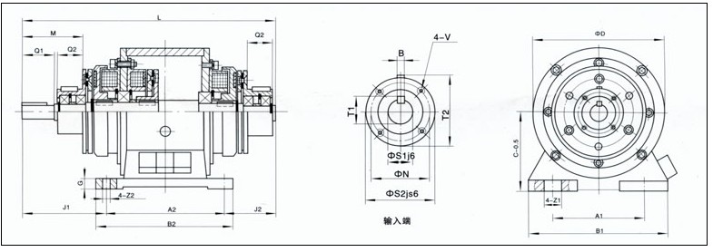
1.本型组合离合器采用同规格的两台契合器和一台制动器组装;
2.可由两轴套输入不同的转速或转向使输出轴实现变速或转向,并在工作完成时制动;
3.允许立式使用;
4.输入、输出端装链轮、带轮等零件,禁止重锤打入,建议选用H7/h6配合;
5.使用过程中注意防止油污、微粒进入摩擦面,注意观测间隙,如超过0.9应及时更换配件。