产品展示 >DLZ5系列双法兰组合离合器 首页 > 产品展示
 
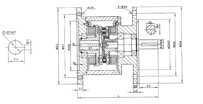
型号规格 功率DC24v 20℃ 动扭矩(M·N) 适用电机型号 D1 C1 D2 D3 C2 D4 L
DLZ5-20 20W 20 Y71 160 130 110 110 130 160 180
DLZ5-40 25W 40 Y80/Y90 200 165 130 130 165 200 218/228
DLZ5-80 35W 80 Y100/Y112 250 215 180 180 215 250 280
DLZ5-160 45W 160 Y132 300 265 230 230 265 300 333
DLZ5-320 75W 320 Y160 350 300 250 250 300 350 385
 
型号规格 L1 L2 R1 E1 R2 E2 d1 B1 T1 d2 B2 T2 V1 V2
DLZ5-20 20 10 4.5 45 3.5 30 14 5 16.3 14 5 16 M8 10
DLZ5-40 20 10 4.5 50 3.5 40/50 19/24 6/8 21.8/27.3 19/24 6/8 21.5/27 M10 12
DLZ5-80 20 12 5 60 4 60 28 8 31.3 28 8 31 M12 15
DLZ5-160 20 16 5 85 4 80 38 10 41.3 38 10 41 M12 15
DLZ5-320 25 16 6 110 5 110 42 12 45.3 42 12 45 M16 19
 
  DLZ5说明:
1.本型组合离合器采用同规格的离合器、制动器组装;
2.许用最高转速请参考同规格的离合器的转速,并结合考虑轴承寿命使用适当转速;
3.允许立式使用;
4.输入孔插入轴和输出轴装链轮、带轮或插入其他孔时,禁止重锤打入;
5.使用过程中注意观测两处&间隙,如超过0.9应及时更换配件。